TH

超高速輕量型 | 油壓缸
https://www.autogrip-machinery.com/web/image/product.template/103/image_1920?unique=f2f354b

中空迴轉油壓缸

超高速輕量型 | 油壓缸
  • 超高速,輕量,大孔徑型迴轉油壓缸。
  • 內建逆止閥自鎖機構,可防止壓力源故障或配管部損傷時,確保壓力不致遽降,而能持續穩固的夾持工作物。
目錄下載

此組合不存在。



規格

型號活塞面積-押側
cm2
活塞面積-拉側
cm2
行程
(mm)
最高迴轉數
min-1 (r.p.m.)
最高使用壓力
MPa (kgf/cm2)
I
kg‧m 2
重量
(kg)
總洩漏量
lit./min.
TH-428
53.2 50.5 10 8000 4.0(40) 0.008 5.8 3.0
TH-A536
69.8 67.5 15 8000 4.0(40) 0.05 8.3 3.0




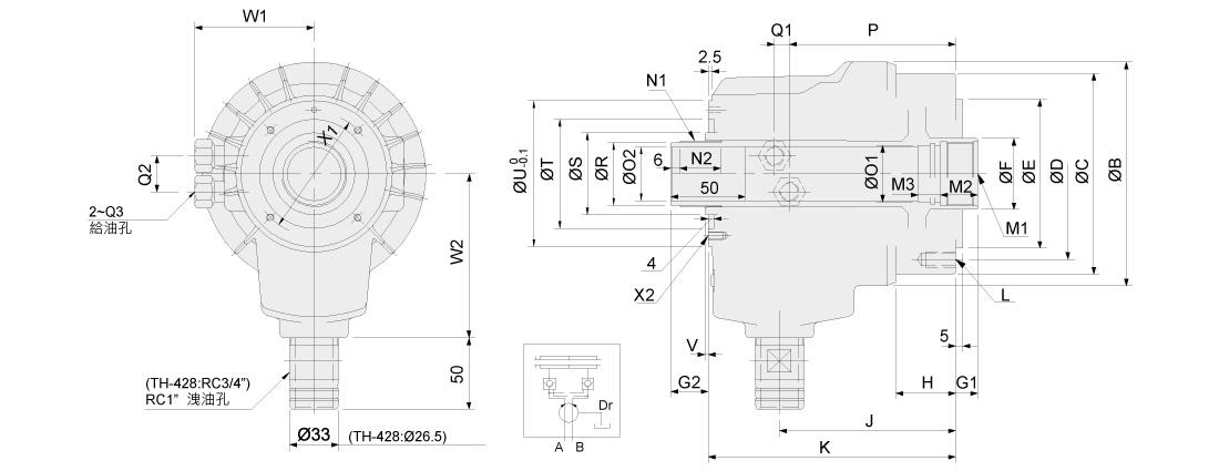
尺寸

* 保留規格修改的權利

型號A(I.D.)BCDE(h7)FG1 Max.G1 Min.G2 Max.G2 Min.HJKLM1M2M3N1N2O1(H8)O2(H8)PQ1Q2Q3R(g7)STUVW1W2X1X2
TH-428901301201008040100352545127.51556-M8x15M33x1.52512M34x1.5263028101.51124RC1/43245658647210576M4x7
TH-A536105150135115100481504025401181666-M10x20M42x1.52515M44x1.5283836111.51024RC1/44255739848011083M5x10



下載

型號 2D pdf 2D dwg3D step
TH-428



TH-A536




用於車削中心的高精度卡盤,確保小批量和大規模生產中的最佳性能和可靠性。

用於加工中心的耐用且精確的卡盤,可提高性能並確保一致的品質和生產率。


適用於特殊用途機器的客製化卡盤,專為實現最高效率和精度而量身定制,並提供全面的 ODM 服務。


其他相關推薦產品

將其替換為您自己的 HTML 代碼