TH

超高速轻量型 | 油压缸
https://www.autogrip-machinery.com/web/image/product.template/103/image_1920?unique=f2f354b

中空回转油压缸

超高速轻量型 | 油压缸
  • 超高速,轻量,大孔径型回转油压缸。
  • 内建逆止阀自锁机构,可防止压力源故障或配管部损伤时,确保压力不致遽降,而能持续稳固的夹持工作物。
目录下载

This combination does not exist.



规格

型号活塞面積-押側
cm2
活塞面積-拉側
cm2
行程
(mm)
最高迴轉數
min-1 (r.p.m.)
最高使用壓力
MPa (kgf/cm2)
I
kg‧m 2
重量
(kg)
總洩漏量
lit./min.
TH-428
53.2 50.5 10 8000 4.0(40) 0.008 5.8 3.0
TH-A536
69.8 67.5 15 8000 4.0(40) 0.05 8.3 3.0




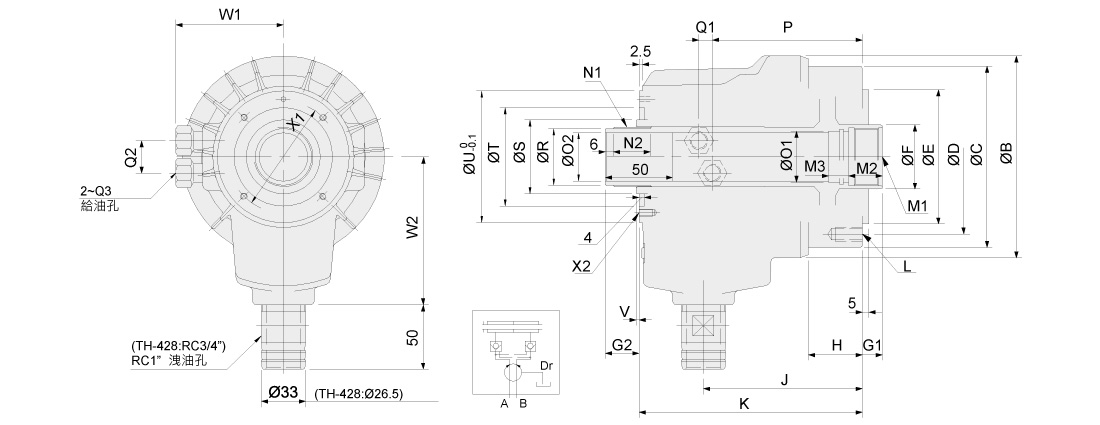
尺寸

* 保留规格修改的权利

型号A(I.D.)BCDE(h7)FG1 Max.G1 Min.G2 Max.G2 Min.HJKLM1M2M3N1N2O1(H8)O2(H8)PQ1Q2Q3R(g7)STUVW1W2X1X2
TH-428901301201008040100352545127.51556-M8x15M33x1.52512M34x1.5263028101.51124RC1/43245658647210576M4x7
TH-A536105150135115100481504025401181666-M10x20M42x1.52515M44x1.5283836111.51024RC1/44255739848011083M5x10



下载

型号 2D pdf 2D dwg3D step
TH-428



TH-A536




车削中心的高精度卡盘,确保小批量和大规模生产中的最佳性能和可靠性。

适用于加工中心的耐用且精确的卡盘,可提高性能并确保一致的质量和生产力。


为組合机床/专机定制的卡盘,旨在实现最高效率和精度,并提供全面的 ODM 服务。


其他相关推荐产品

將其替換為您自己的 HTML 代碼