規格
| 型號 | 活塞面積 cm2 押側 | 活塞面積 cm2 拉側 | 行程 (mm) | 最高迴轉數 min-1 (r.p.m.) | 最高使用壓力 MPa (kgf/cm2) | I kg‧m 2 | 重量 (kg) | 總洩漏量 lit./min |
| TS-539 |
72.4 | 67.1 | 15 | 8000 | 4.5(45) | 0.012 | 6.9 | 3.0 |
| TS-866 | 168 | 155.5 | 25 | 5600 | 4.5(45) | 0.056 | 16.3 | 4.0 |
| TS-1081 | 189.2 | 174.3 | 25 | 4800 | 4.5(45) | 0.085 | 21.2 | 4.3 |
| TS-1210 | 231.7 | 222.0 | 30 | 3500 | 3.5(35) | 0.193 | 35.6 | 6.0 |
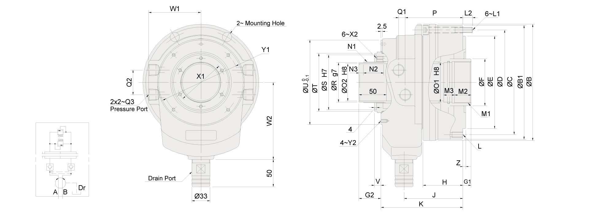
尺寸
* 保留規格修改的權利
| 型號 |
A (I.D.) | B | B1 | C | D | E (h7) | F | G1 max. | G1 min. | G2 max | G2 min. | H | J | K | L | L1 | L2 | M1 | M2 | M3 | N1 | N2 | N3 | O1 (H8) | O2 (H8) | P | Q1 | Q2 | Q3 | R (g7) | S (H7) | T | U | V | W1 | W2 | X1 | X2 | Y1 | Y2 | Z |
| TS-539 | 107 | 143 | 141 | 125 | 125 | 110 | 52 | 15 | 0 | 42.5 | 27.5 | 57 | 91 | 124 | 6~M10x20 | M8x60 | 12 | M45x1.5 | 25 | 12 | M44x1.5 | 26 | 8 | 42 | 39 | 85 | 8.5 | 30 | RC1/4 | 42 | 69 | 72 | 103 | 10 | 62.5 | 100 | 54 | M6x10 | 90 | M5x12 | 5 |
| TS-866 | 165 | 211 | 207 | 190 | 190 | 168 | 85 | 25 | 0 | 55 | 30 | 72.5 | 107 | 149 | 12~M10x20 | M10x80 | 17.5 | M75x2 | 35 | 15 | M74x1.5 | 37 | 8 | 72 | 66.5 | 105 | 12 | 45 | RC1/2 | 72 | 100 | 111 | 154 | 12 | 95 | 140 | 88 | M6x12 | 140 | M6x10 | 5 |
| TS-1081 | 180 | 226 | 222 | 205 | 205 | 168 | 100 | 25 | 0 | 58 | 33 | 74 | 115 | 166 | 12~M10x20 | M10x90 | 18 | M90x2 | 35 | 15 | M89X2.0 | 38 | 9 | 85 | 81 | 109 | 15 | 45 | RC1/2 | 86 | 113 | 123 | 175 | 16 | 103 | 160 | 103 | M6x12 | 160 | M6x10 | 5 |
| TS-1210 | 210 | 263 | 260 | 240 | 240 | 200 | 125 | 30 | 0 | 64 | 34 | 93.5 | 136.5 | 193.5 | 12~M10x20 | M12x100 | 20 | M115x2 | 35 | 15 | M118x2.0 | 47 | 9 | 110 | 106 | 131 | 16 | 46 | RC1/2 | 115 | 145 | 151 | 210 | 16 | 103 | 160 | 133 | M6x12 | 195 | M6x11 | 5 |
產品應用



