3RF

三爪補償型
https://www.autogrip-machinery.com/web/image/product.template/79/image_1920?unique=bf75c37

軸車削用夾頭

補償型 | 3爪
      • 工件偏心補償量1mm,中心頂針定位,三爪擺動夾持工件。
      • 可以在不反轉工件的情況下進行二次加工,因此大幅減少準備時間。
      • 通過補償主爪夾緊進行粗、精加工。
      • 內部密封,維護成本低。
      • 搭配雙桿型迴轉缸(3RF-D)。
      • 驅動銷推力大小可由迴轉缸壓力控制(3RF-D)。
 目錄下載

此組合不存在。



規格

型號楔心行程
(mm)
爪行程
(直徑)  (mm)
最大夾持 直徑
(mm)
最小夾持 直徑
(mm)
容許最大入力 
kN (kgf)
最大夾持力 
kN (kgf)
最高迴轉數 
min-1(r.p.m.)
I
kg‧m2
重量
(kg)
適用迴轉缸補償量 
(mm)
3RF-08 43.5 9.4 70 18 39.2(4000) 39.2(4000) 4000 0.15 39.4 RS-1250 1
3RF-08D 43.5 9.4 70 18 39.2(4000) 39.2(4000) 4000 0.15 38.6 RDL-160S 1
3RF-105011852544.1(4500)67.4(6873)35000.5668.3RS-15501
3RF-10D5011852544.1(4500)67.4(6873)35000.5667.5RDL-160S
1
3RF-125211.21102578.4(8000)99(10000)25000.56109RDL-2060
1
3RF-12D5211.21102578.4(8000)99(10000)25000.56107.7RDL-160S1



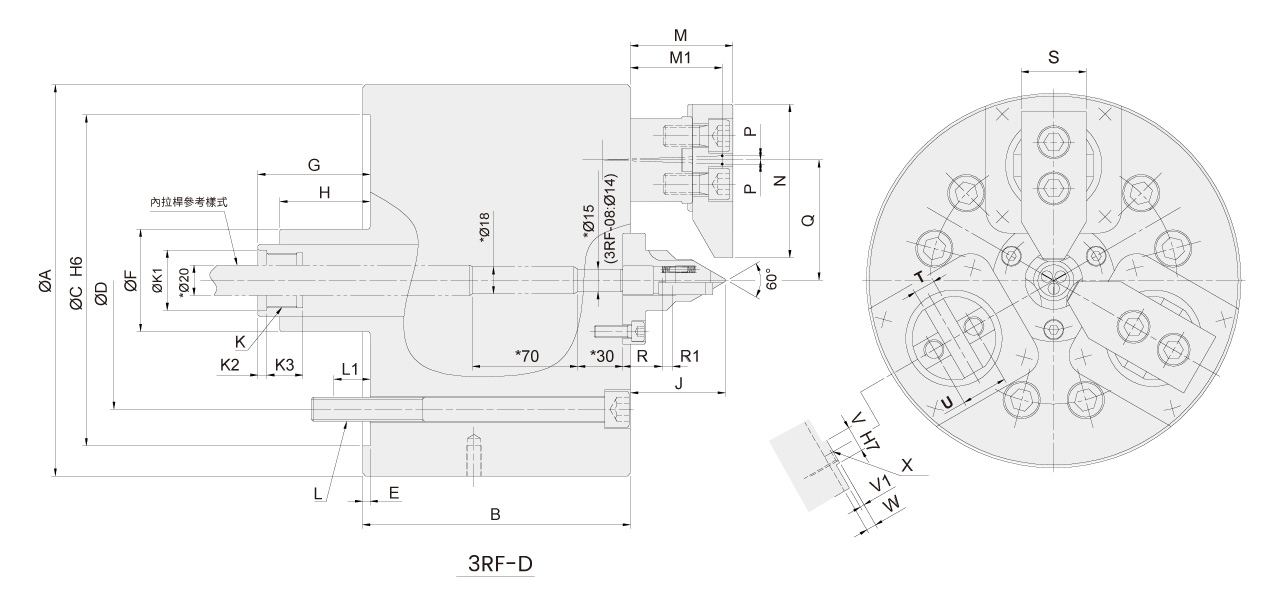
尺寸

型號ABC
(H6)
DEF
max.

min.
HJK K1 
(H7)
K2K3LL1 M
max.
M
min.
M1NPQRR1
 max.
R1 
min.
ST
(H7)
UVV1WX
3RF-08210155170133.456812379.53758M20x2.5---3~M1218623158782.3562---4012261637M12
3RF-08D210155170133.45689854.55058M36x1.540.56243~M1218623158782.356225.5704012261637M12
3RF-10260178220171.4568143933763M20x2.5---6~M16246835.5611022.7580---4515321837M14
3RF-10D260178220171.4568116.568.56063M36x1.540.56246~M16266835.5611022.758028704515321837M14
3RF-12315190220171.45761671154670M24x3---6~M16247643631252.8100---5017362037M16
3RF-12D315190220171.4576135837570M40x1.544.56286~M16247643631252.810028705017362037M16


下載

型號 2D pdf 2D dwg3D step
3RF-08


3RF-08D


3RF-10


3RF-10D


3RF-12


3RF-12D




產品應用

3RF 軸車削用夾頭作動


用於車削中心的高精度卡盤,確保小批量和大規模生產中的最佳性能和可靠性。

用於加工中心的耐用且精確的卡盤,可提高性能並確保一致的品質和生產率。


適用於特殊用途機器的客製化卡盤,專為實現最高效率和精度而量身定制,並提供全面的 ODM 服務。


其他相關推薦產品

將其替換為您自己的 HTML 代碼