規格
標有星號 (*) 的型號為接單生產的產品。
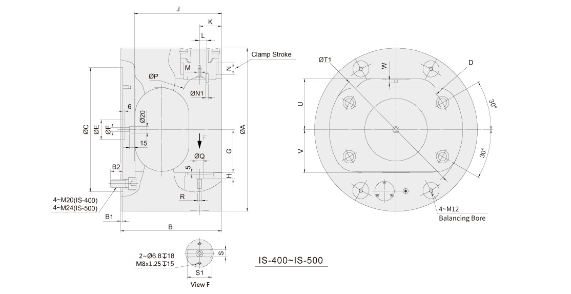
寸法
最高迴轉數僅在油壓壓力最大時才可達到,且工作壓力與夾持治具的重量不可超過上表所示。
主軸旋轉時可進行分度,當在高轉速進行分度時,建議將轉速降低50%, 避免因工件處於中間位置時由於重量不平衡時而產生振動。另外,依據工件的形狀,有時無法在主軸旋轉時進行分度。
型號*表示接單生產之特殊規格,無現貨供應。分度角度8x45°或特殊分度角度,請逕洽本公司業務部。
產品應用













